您好,欢迎来到乐彩汇官网!
乐彩汇
专注电气元件品牌销售服务
当前位置:首页 > 产品中心 > Bussmann > 库柏西熔 > 西熔高压熔断器 >
产品中心
全国服务热线
400-875-1500
销售热线:13720093566

扫一扫,添加销售经理

高压限流熔断器XRNP6-7.2KV/0.5-50KA-1

库存型号:XRNP1-12/6.3-50-1;XRNP1-12KV/0.5-50KA-2;XRNP1-12KV/1A-50KA-1;XRNP6-7.2KV/0.5-50KA-1

电压:7.2(3.6)KV;12KV;40.5KV

电流:0.2-6.3A

应用:电力变压器及其它电力设备的过载或短路保护



销售热线
13720093566

扫一扫,添加销售经理
分享至:
  • 产品介绍
  • 视频中心
  • 相关证书
  • 样品申请
  • PDF下载

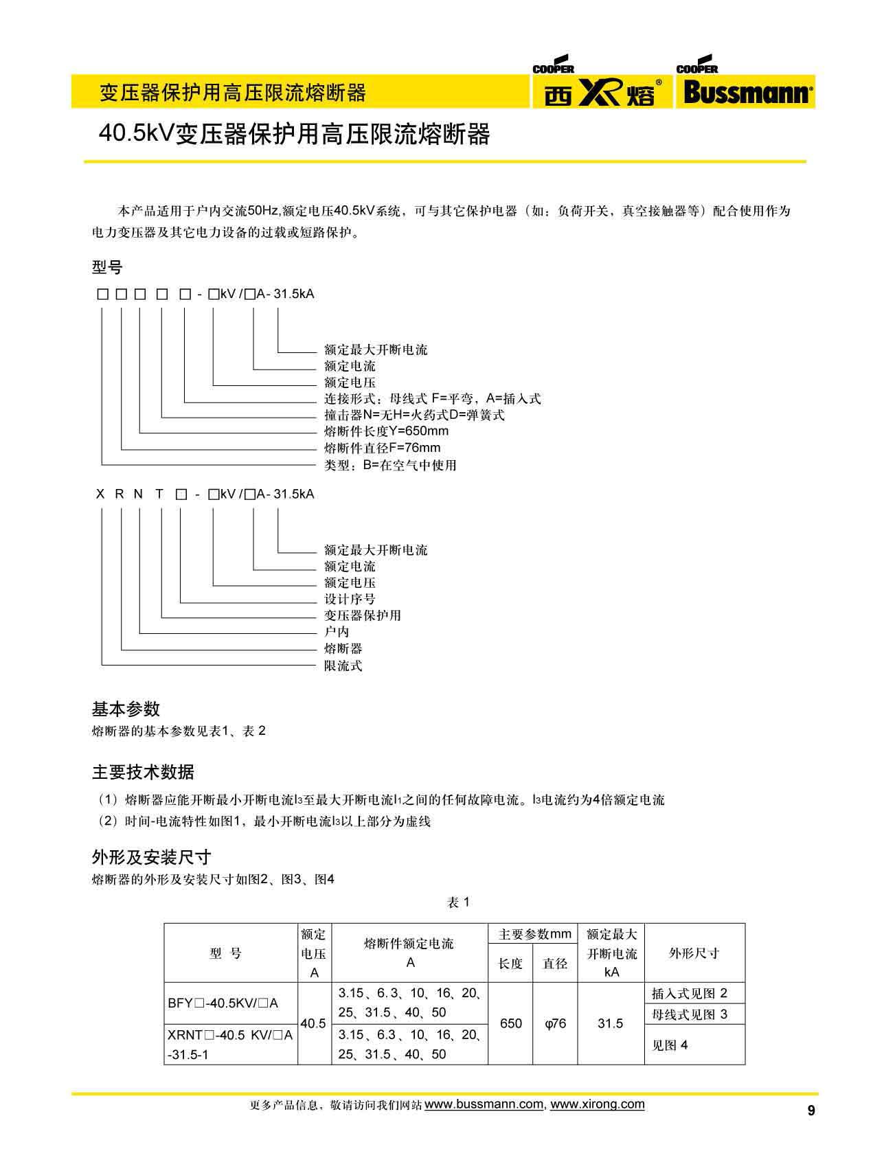
40.5kV变压器保护用高压限流熔断器参数

40.5kV变压器保护用高压限流熔断器曲线图

40.5kV变压器保护用高压限流熔断器安装尺寸

40.5kV变压器保护用高压限流熔断安装尺寸